Не такой уж и мощный поток тепла там. Хватит и люминя. Но греется прилично при нагрузке LMS, WiFi. Нужно прислонять к корпусу или ставить радиатор.
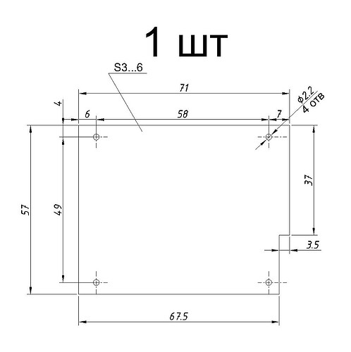
Отверстия крепежные - в зависимости от крепежа. Я делал под М2.
Толщина болванки - в зависимости от высоты стоек.

