собранных нет.
а pcb есть dsc2.6
Ребята, кто то хорошо разбирается по DSC конвертеру? Есть вопрос касательно входов довольно спорный - хотелось бы прояснить.
Вероятно “выходов”?
Да, ошибся чуть
Дайте угадаю.
Вопрос по выходу “токовый или по напряжению”?
Нет. Вопрос по выбору выхода - баланс или небаланс. Есть ли способ переключатся между ними когда это требуется или же нет? Мне сказали что существует ограничение и нужно выбрать какой то один - переключение не представляется возможным.
Параллельно ищу двуярусные пины для сочленения плат общей длиной 3см - редкость!
Добрый день. Не сможете ответить на вопрос по организации выходов? - идти на др форум спрашивать?
Если используется трансформатор, то можно переключателем делать rca-balance. Так как транс даёт гальвано развязку.
Есть не существенное неудобство - баланс будет по напряжению как RCA. По стандарту должен быть в два раза выше. Разница в громкости 6дб. С этим можно смириться.
Да, трансы на пермаллое 10К. Как сделать переключатель? На плате есть две точки под “активацию” XLR. Сейчас они не запаяны.
Всё просто.
RCA - один конец вторички на землю.
XLR - вторичка без заземления на 2 и 3 пины разъема.
Можно нарисовать? - что то не понимаю.
“нарисуйте” на имеющейся схеме ваши “не понимаю”.
Вначале непонятно какой сценарий мы берем за отправную точку - RCA вариант или XLR (как в мануале предлагается). Отсюда тогда уже понятнее становится.
повторяю …
“нарисуйте” на имеющейся схеме ваши “не понимаю”.
схема опубликована на сайте Павла . озвучьте свои “сомнения” поправками к данной схеме в формате картинки
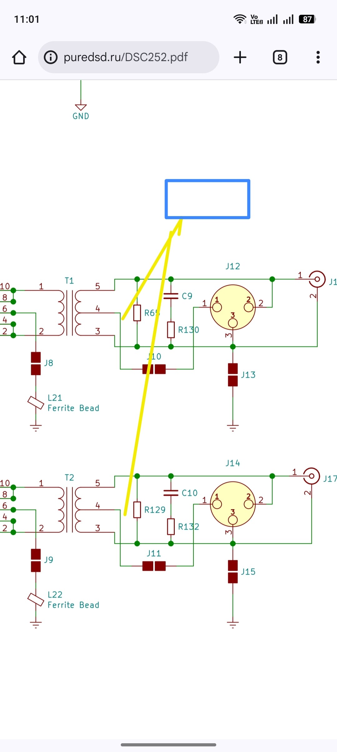
Нарисовал. Перемычки открытые на XLR, Замыкаю на тумблере 1 и 3 провода с точек и 2 отдельно на вторую ногу тумблера (белый прямоугольник с черным ободом). Так? Можно сзади платы напаять провода (мгтф например).
1-общий
2-сигнал
3-реверс
корректнее было бы отобразить не в pcb проекции ,а в схеме!
Я там запутаюсь только. Особенно с трансформаторами учитывая то что у них вообще хрен разберешь где что - ни распиновки ни обозначений нет.
Первая нога вроде так, а вторую я не знаю откуда тянуть - пины пересекаются и общий и сигнальный. Бред какой-то по схеме…
Схема проста и читаема на 100%.
j10,j11,j13,j15 не о чем Вам не говорит?
Нет никакого бреда!
Про первый пин для XLR досих пор баталии идут в инете.
Первый пин можно вообще никуда не вешать и все будет работать. По стандарту рекомендуют вешать на корпус устройства, который не соединён электрически с GND. В моём случае я предусмотрел соединение со средней точкой относительно балансового сигнала. Получаем вместо балансного дифференциальный.
Короче, если 1 пин останется не подключённым, ничего криминального не произойдёт. На обратном конце кабеля всё равно он будет подключен. Работает как экранирование без протекания по нему тока.
Если хотите выход RCA - закоротите J13 J15. Вам нужен тумблер с двумя параллельными группами контактов.

