Где выложены?
Обычный юзер не удосуживается прочитать 1й пост в теме и поэтому ходим кругами с одними и теми же вопросами.
Много раз уже писал - и здесь писал (лень искать первое упоминание, поэтому сразу напрямую Luckfox — Яндекс Диск - в этой папке мало того, что и принципиальные схемы, и монтажные, и BOM, так по некоторым конструкциям не только герберы, но и исходники плат есть, например LuckFox_Adapter_Amanero_2_gerber.zip — Яндекс Диск), и на audiohobby.ru (ник там у меня тот же, можно найти две моих заметки об этих моих платах).
Так " выложить" это значит создать темку)
На audiohobby.ru темы созданы )
Ну мы же не на аудиохобби)
В общем, ладно - я на вопрос где материалы по моим конструкциям выложены, ответил.
Не все.
Не надо воспринимать попытки диалога с Вами, как нападки на вас. Вокруг врагов нет.
1 сообщение было перемещено в эту тему: Luckfox Pico Max (Ultra) - endpoint с внешними клоками на Rockchip RV1106
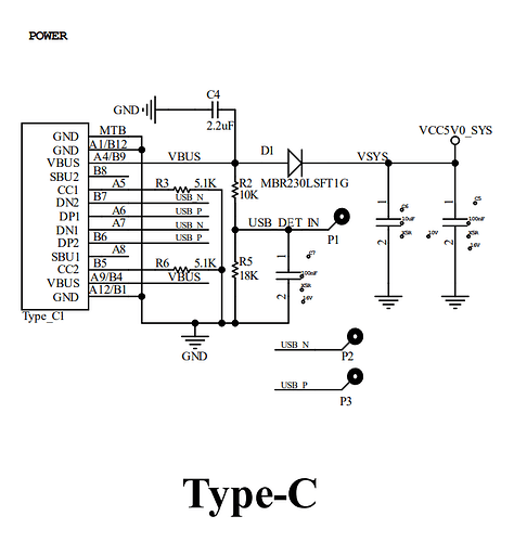
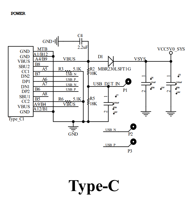
Помогите найти контактную площадку P1 на плате MAX
Нужно для автоматического переключения девайса из режима сетевого плеера в USBtoI2S.
.
P.S. Нашёл. На плате обозначен как TP3 (прям очень логично, глядя на схему
).
Коллеги, может быть кто-то сталкивался?
Вот такую плату скоммутировал с Лисенком.
Вот так (на надписи не смотрите - это срисовано с рабочего чьего-то проета, у меня замля на 28, а не на 23)
Вчера в таком виде запустилась и работала.
Ближе к вечеру решил на макетные платы это дело переместить, установил друг над другом.
Зарадовался - компактно, и можно о корпусе подумать, да не тут-то было - звука нет. Питание - отдельно от БП iPod и iPhone
Что только не делал с лисом- и перепрошивал уже установленную 1.6.1 и передергивал режимы в настройках I2S - нет звука, хоть тресни(
По USB лис работает.
Может быть плата вошла в какой-то режим и можно ее ресетнуть?
Может быть логическим анализатором посмотреть сигналы между платами?
Владимир, нет у меня такого устройства, к сожалению(
500 рублей…
это понятно)
но нужен-то он мне будет один раз, да и с неизвестным результатом…
уж проще заказать еще одну плату
https://www.ozon.ru/product/plata-peredatchika-hdmi-i2s-tsap-dekoder-differentsialnoe-preobrazovanie-signala-2998085111/?at=k2tozrmmBc8LDGMMSOjNvWDHLrArnwTL55q20swG0O5E
Ваше дело.
Я иного мнения.
С неизвестным результатом.





