ldo -стабилизаторы с просто выпрямленным не справляются? В чем тогда их смысл?
Вероятно исключить кратковременные всплески и скомпенсировать существенные долговременные изменения в сети. Сети же у всех разные.
Стабилизация, в несколько каскадов вполне себе решение для цифры IMHO
Если это им страшно, то это не стабилизатор. Вернее плохой стабилизатор. Имхо конечно. После акка любой себя стабом назвать может…
Вопрос был лучше/хуже, естественно справятся.
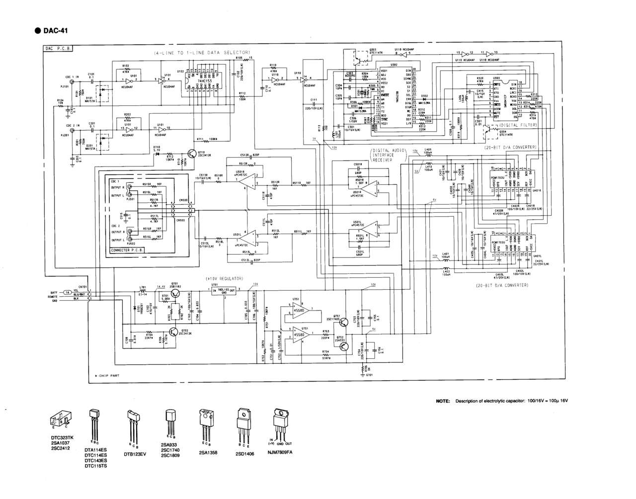
Можно как-то понять по фото, удастся ли имплантировать сюда Лисенка по i2S? ЦАП имеет питание 12В и два коаксиальных входа.
На первый взгляд можно.
Работать будет только через APRenderer.
Придется немного кастомизировать формат вывода i2s.
Все вышесказанное касается, варианта сохранения цифрового фильтра.
Вполне устраивает. Сейчас понимает по коксу 24/96 хотя не должен (что доходит до ЦАП не проверял).
Вот тут сложно сказать, нужно ли сохранять…
Это какая-то автомобильная железка?
“Только АПРендерер” потому что придется даунскейлить
Смотря до каких параметров. Tidal можно выставить сразу 16/44 или 24/96.
Сначала нужно определиться, что хочется.
Если сохранять фильтр, то только апрендерер и даунскейлиен.
Если не сохранять, то полный спектр ЧД, но необходимость выпаивать из двухсторонней платы sm5841 и дожидаться в прошивке возможности настроек разных форматов вывода по i2s
Я бы оставил ЦФ, чтоб не усложнять.
Планирую в ламповую систему, выхлоп на резисторе. Особо великих требований нет, мультибит сам по себе неплохой.
Только ЦФ совсем древний и по звуку не очень))
Будет поле для апгрейда, если прошивка разовьется до нужного функционала.
Тут врезали адаптер для задержек Инструкция по установке в DAC-41.pdf - Google Drive
Это чтобы линии i2s подлиннее были и точно хайрезы не играл?))
Так ЦАП 20Бит, ему хайрезы особо и не положены, 24/96 принимают не все экземпляры, 16/48 его потолок.
ЗЫ Плату заказал сегодня, пусть будет. Может и получится внедрить.
20 бит вполне себе хайрез, почему нет? Да и у многих записей 24 бита зачастую нет, хотя и заявлено.
Нативно его нет, 16 либо 24, поэтому и нет стремления запихнуть в него лишнее.
У вас у обоих очень странное понимание предмета…

