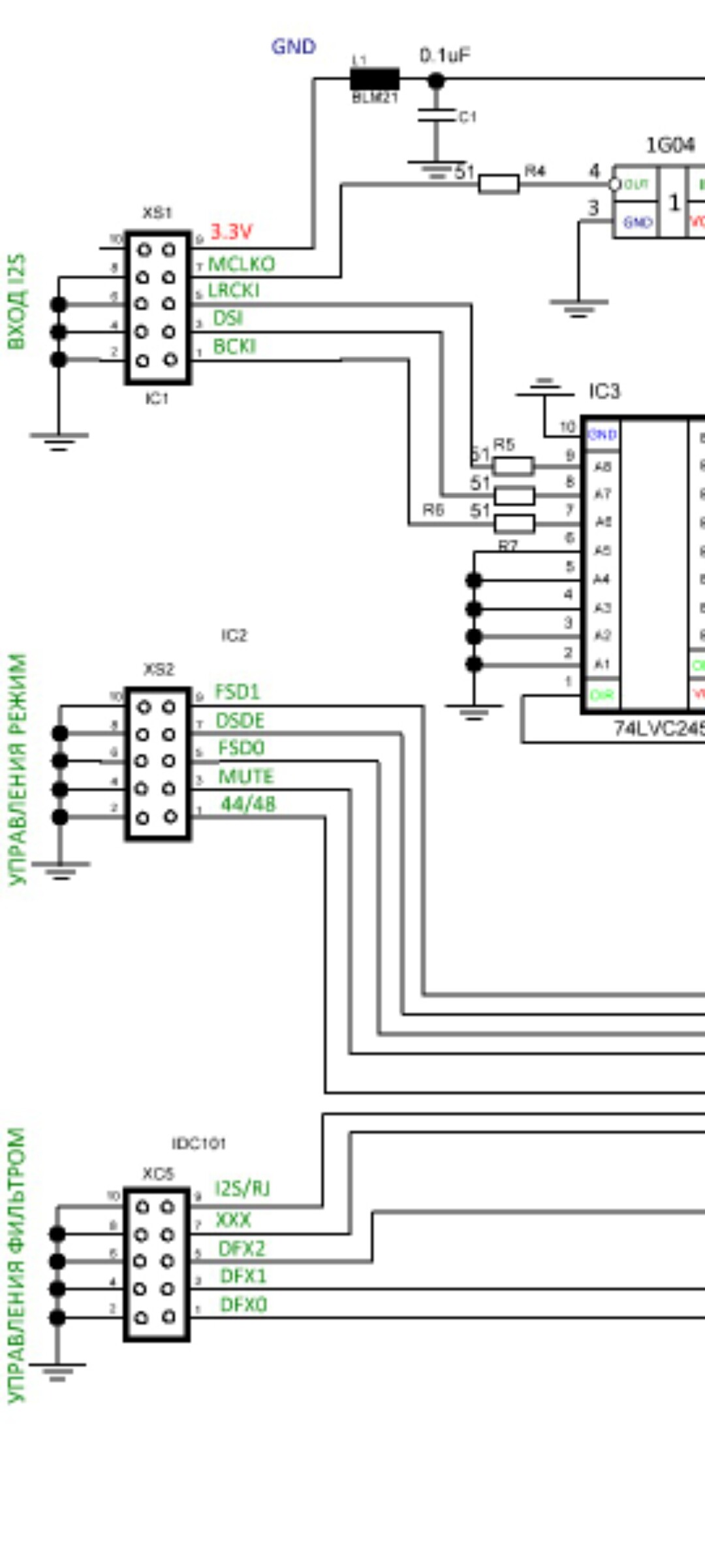
Тут мне уже не разобраться , по шинке обычный набор из четырёх проводов и земля шла .
Да тянет еле заметно есть такое , ни чего обратно все верну .
а сигнал mute еще не реализован?
Нет
А зачем он?
Это скорее всего кажется. Если не та сетка, то будет ЗАМЕТНО тянуть или СПЕШИТЬ
Нет тянет полмакартни включил и все понял что да ,
Может его вместо просто мслк припаять ?
Нет, ни в коем случае!
В некорректно будет работать только одна сетка - либо 44 либо 48. Вторая будет правильно воспроизводить - попробуйте
Все перепробовал уже , обидно , цапка красиво играет динамично так !
во многих ЦАП есть вход для Mute
в Бигле есть, Xing - есть
зачем обижать Лису?
DSD on - реализован?
Нет.
Так зачем Mute?
Убрал лиса i2s , оставил как было usb окоянный звук стал и просел при этом , как слушать теперь ?
Без мьюта не работает?
mute on - отключается выход L|R ЦАП
DSD on есть отмороженные ЦАП, которые требуют указать, pcm или dsd
даже через HDMi подключение
плата Руслана - разведен Mute
а зачем на картинке указан Mute, если непонятно, зачем он?)
Чтобы не было неприятных артефактов при смене частоты дискретизации потока, а также при смене DSD-PCM. Транспорт в идеальном случае должен отдавать этот сигнал заранее, до смены частоты, а ЦАП - выключать на некоторое время реле. В тех ЦАПах, что я пользуюсь, так и сделано - несмотря на то, что МК в них изучает поток, и при смене его параметров сам включает Mute (точнее, выключает реле), потом устанавливает нужные регистры МС ЦАПа, переключает фильтры на оптимальные, и потом уже включает реле, но иногда артефакты проскакивают из-за того, что не знает заранее, что сейчас будет смена всего этого. Мелочь, но немного режет ух.
А для неотмороженных транспорт должен перекоммутировать сигналы I2S на основе этого флага.
Вот и у меня примерно такая делема, в i2S понравился звук даже через HDMI на соплях, но полноценно не попользуешь пока что и по USB уже совсем не то пальто с лисом, хоть от батареек. К хорошему привыкается быстро.
Жду с большой надеждой когда будет все. ![]()
А я говорил, что лучше всего когда гены рядом с МС ЦАПа и по I2S.
Но что мешает найти куда в вашу плисину приходит сигнал переключения генераторов?


