Luckfox Pico Max (Ultra) - endpoint с внешними клоками на Rockchip RV1106

ADuM не использовал.
С SI после IL показалось что звук стал чище, но уменьшилась “плотность”. Сравнение не в один и тоже же день, могу и ошибаться. Перепаивать многократно нет возможности - плата не выдержит.

Ещё нашел NSI8241. Не пробовал, но тоже совсем дешевые.

Я их вовсю использую, но как-то даже не задумывался, что развязки можно по звуку сравнивать, я только на PD смотрю. Правда я развязки ставлю на транспорт, а не на цап, а в цапе еще и реклок.

ps
Еще есть NSI814x, TPT7720(21), IL715/16/17и от 2Pai хз как это записать…

1 лайк

Я чёта сразу не допетрил, а что у фокса нет выхода i2s в стандарте филипс? Т.е. к tda1541 его не подключить без траха с плис?

Только такой и есть ! 1543 поет напрямую.

С какой ноги дата? Мне вот такой нужен:

29

А режим вывода STD?

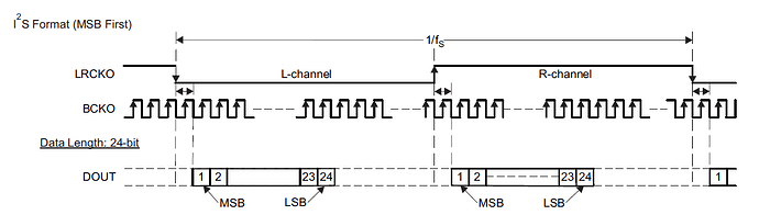
Он и есть)) Филипсовский i2s

2 лайка

Режим STD.

1 лайк

Ооо! Шикарно! С филипсом я уж справлюсь как-нибудь, я подумал что только уже разделенный на Пк Лк.

Опять констатация и нет вопроса))

Подскажите, я тут новенький. Стоит прошивка Purefox 1.6.1 как тут можно слушать ямузыку?

Через Scream

1 лайк

А “тут” это где?
А раньше как слушали?

В PLL 8мь каналов ещё не реализовано?
Поставил PureFox_MAX_v2.0. - выход с винды к сожалению только стерео (((

Если со смартфона, то я включаю рендерер Aplayer на Лисёнке, затем на смартфоне в Bubble UPnP включаю Аудиокаст, после этого Я.Музыку.

5 лайков

А можно мне, видимо идиоту, подробно ещетразьаоказвть как это, сколько я не пробовал воспроизвести это, не получалось, или получалось глючно с тормозами, это как то для обычных людей без шаманства работает или нет ?

USBtoI2S пока только стерео
Режим стримера поддерживает многоканалку.

1 лайк

Главное не отчаиваться :slight_smile:

Спойлер

И попробовать сначала без “берегов”))

3 лайка