Мультибит - назад в будущее

Если бы да кабы, то вообще можно в 16 бит все вписать, только кто это делать будет.

Вот от Дортоньяна я и говорю, на выходе 384, но на вход выше 96 не идет.

Только Nos, только хардкор

1 лайк

Если чистую логику, то схема есть готовая - нарисовать и загрузить в CPLD.
Если хочется с DF, то взять проект Алексея, Фиско и (если используется tda1540) поменять битность с 16 на 14.

1 лайк

Схема может и есть, но частоты она не уменьшит, у Алексея получается 8х, если 48/96кГц на входе, на выходе будет 384кГц, причем битклок при этом 6,14МГц, т.е. данные вписаны в 16 битную сетку. Но беда в том, что выше чем 96 на вход циклона не подать. Это с ЦФ, а если не использовать ЦФ, а делать на втором максе, то и 192 работает, но там тоже нет деления частот и растягивания данных. Для редбука ЦФ Алексея то что надо, но я хочу и хайрез.

Уменьшит

Simultaneous режим для 1541 для 384 – это ДВА чипа 1541. Используется со времен мезозоя, или, примерно, с первых плат болгарина usb > i2s.

Пока не увижу, не поверю! Схему в студию!

Так естественно Simultaneous, но просто такой режим сам собой не уменьшает частоты! Пример прошивка Миро, банальная сдвижка одного канала, но как было 64 такта в WCK так и осталось. В болеро нос было реализовано понижение частоты вдвое, но этого недостаточно для 1541. У Алексея понижение вчетверо, как в идеале и должно быть. Всё это есть у меня я знаю о чем говорю.

И кстати, для Simultaneous надо старший бит инвертировать, оффсет бинари.

вроде еще питание перекинуть, на али есть плата разведенная под этот режим

27 ногу TDA1541 на 26-ю соединить -5V, я такое профукал как-то, тупил пару часов почему не работает.

1 лайк

Ой ли..

1 лайк

Заклинило ячейку памяти, точно, один чип. :slight_smile:

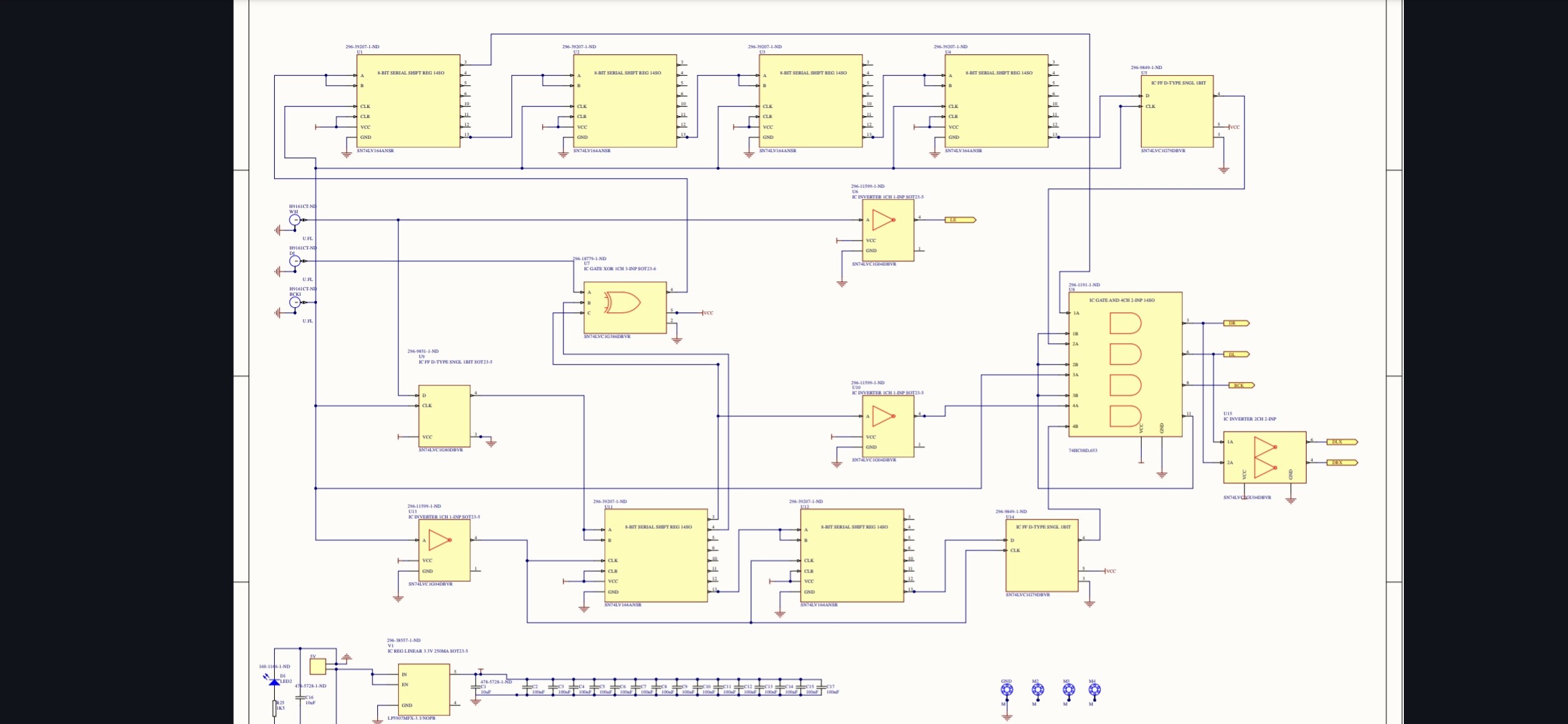
http://jlsounds.com/uploads/I2SoverUSB%20v.III.pdf

2 лайка

Владимир, нет ли в лучшем качестве? Забью в квартус, промоделирую.

1 лайк

Судя по всему нет там растягивания.

По чему?))

Ну глядя на схему мне так кажется, но я ее детально не анализировал, после НГ каникул загоню в квартус и посмотрю симуляцию. Но! Был у меня болеро нос у него были настройки разделение потоков, и offset binary, и растягивание данных. При 384кГц битклок и данные шли с частотой 12,28МГц, т.е. в 32 битную сетку данные вписаны. И с ним 1541 на 352/384 не работали! За что он и был продан без сожаления :slight_smile: А вот циклон2 с прошивкой от Алексея данные вписывает в 16 битную сетку и 384кГц с1541 работает, т.е. надо делить вчетверо! А 192кГц у меня давно уже работают, и на прошивке Миро, и на моей собственной.

ps
Вспомнил про один момент, мне до сих пор непонятный, режим simultaneous с понижением частот вдвое, LE=384, BCK=12.288 не работает, при LE=192, BCK=6.144 работает. Далее переключаю в time MUX TWC, это филипс i2s, и при LE=192, BCK=12,288 работает! Но ведь данные и битклок идут с той-же частотой что и в не работающем simultaneous! И вот тут я на болеро забил.

pss
Проверено на двух 1541 купленных в разное время, первая вообще лет 20 назад, когда они никаким спросом не пользовались и совсем не дорого, на всякий случай, если на ремонт аппарат принесут и чтобы была в наличии.

Уже не кажется! Битклок при понижении частоты и растягивании данных должен делиться вдвое/четверо, а тут просто через и 08 идет с прерванным клоком.

[quote=“Delta213, post:1010, topic:1153”]

Странно, но у меня работает(Simultaneous), сейчас уже ничего не помню по замерам ибо собирал давно сразу после того как Лёша выпустил девайс…

3 лайка

А поподробнее? Цап 1541 или 1540? Лёша это дортоньян? И какой девайс?